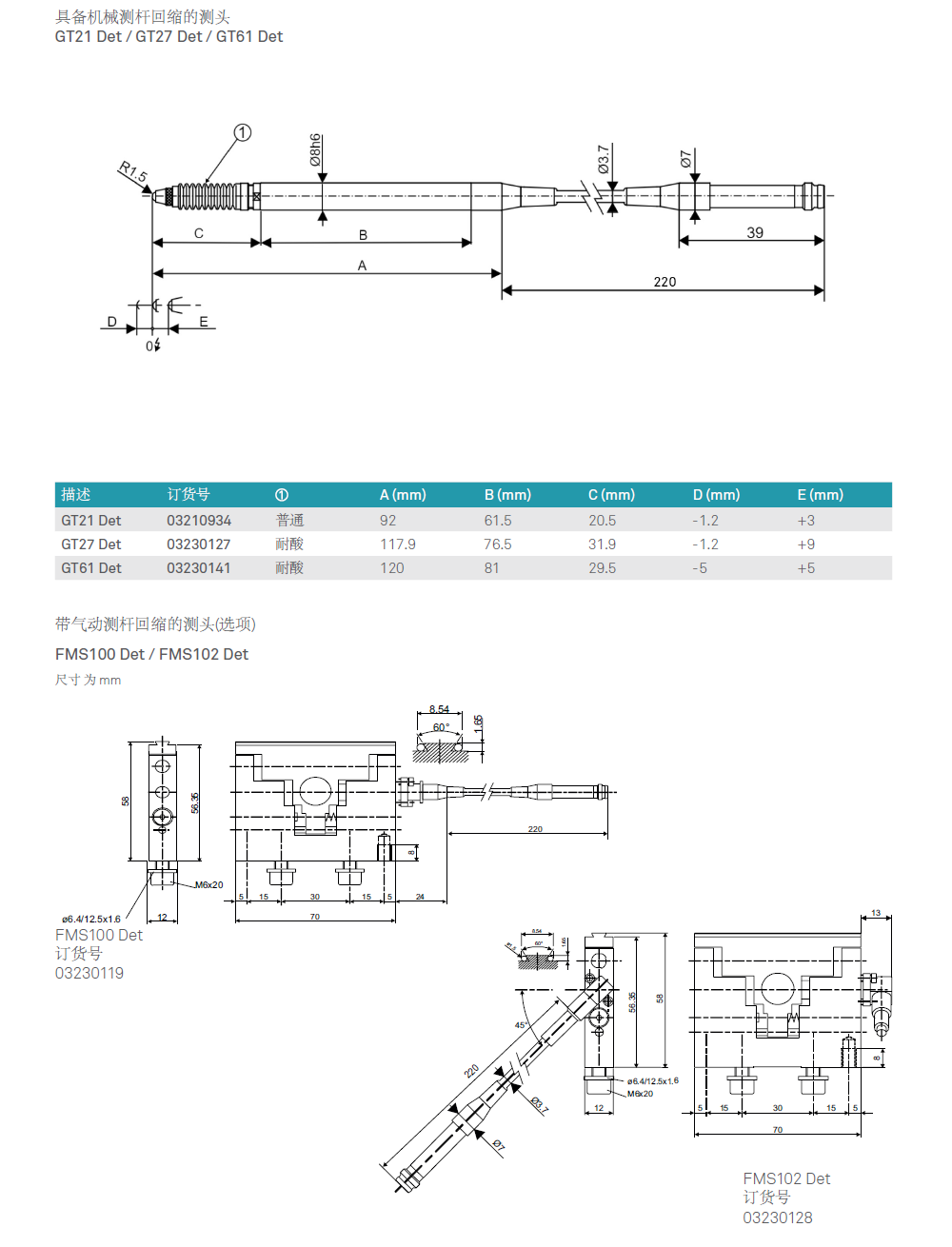
瑞士TESA可拆线电感测头GT 21-I Det电感位移传感器GT 62 Det瑞士LVDT GTL 222-A Det
带可拆卸线缆的TESA电感测头
• 带可拆卸线缆的 TESA电感测头使得用户能更快更便宜的维护他们的测量站。
• 只需从所连线缆上拧下测头, 如此更换操作更简单并且节省时间,还无需其它工具。
• 尤其适合于多测量装置, 能在恶劣环境中使用的耐用且柔性的线缆与坚固的连接器相结合的 TESA 测头。
• 带可拆卸线缆的 TESA电感测头使得用户能更快更便宜的维护他们的测量站。
• 只需从所连线缆上拧下测头, 如此更换操作更简单并且节省时间,还无需其它工具。
• 尤其适合于多测量装置, 能在恶劣环境中使用的耐用且柔性的线缆与坚固的连接器相结合的 TESA 测头。
产品详情:





- 定货产品
单价:
¥
0.00
手机:136 3265 1510 李工
手机:153 3870 2272 阿龙

